Blower Fan 포스코퓨처엠(광양 라임공장)_COG BOOSTER FAN (MODEL : DAF-T3FF)
페이지 정보
조회 158회
작성일 25-09-18 08:50
본문
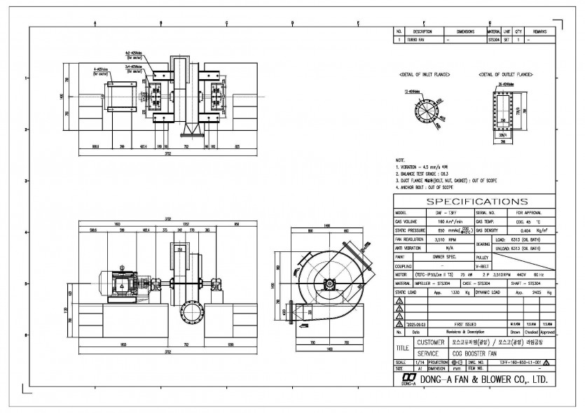
MODEL : DAF-T3FF
VOLUME : 160 A㎥/min
PRESS : 650 mmAq (COG 45℃)
MOTOR : 75kW x 2P x 440V x 60Hz
MATERIAL : STS304
DRIVE TYPE : COUPLING DIRECT TYPE
VOLUME : 160 A㎥/min
PRESS : 650 mmAq (COG 45℃)
MOTOR : 75kW x 2P x 440V x 60Hz
MATERIAL : STS304
DRIVE TYPE : COUPLING DIRECT TYPE
- 이전글POSCO(포항) / (MODEL : DAF-T3JJI-2600) 25.11.21
- 다음글POSCO(광양) / GA-POT-BLOWING-FAN [SN.1803032] 25.02.27