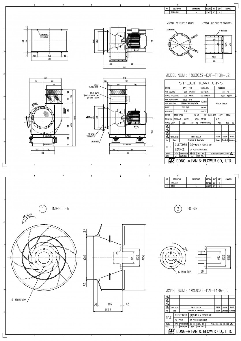
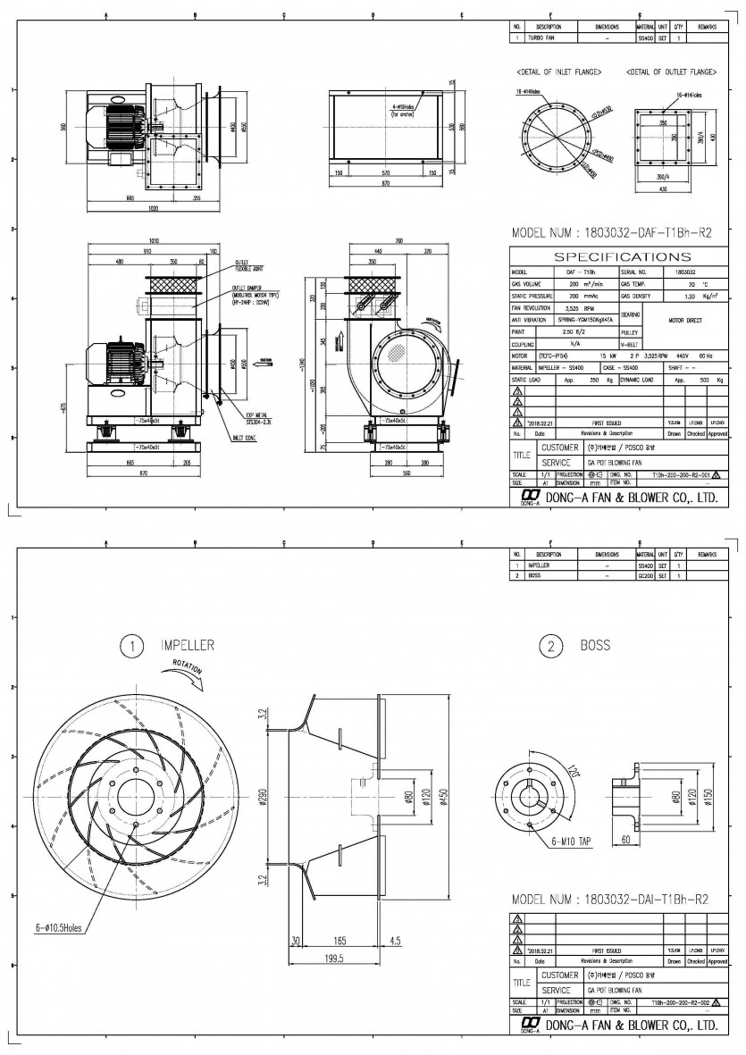
Turbo Fan POSCO(광양) / GA-POT-BLOWING-FAN [SN.1803032]
페이지 정보
조회 313회
작성일 25-02-27 08:42
본문
VOLUME : 200 ㎥/min
PRESS : 200 mmAq
MOTOR : 15kW x 2P x 440V x 60Hz
MATERIAL : SS275
DRIVE TYPE : MOTOR DIRECT TYPE
PRESS : 200 mmAq
MOTOR : 15kW x 2P x 440V x 60Hz
MATERIAL : SS275
DRIVE TYPE : MOTOR DIRECT TYPE
- 이전글포스코퓨처엠(광양 라임공장)_COG BOOSTER FAN (MODEL : DAF-T3FF) 25.09.18
- 다음글POSCO CHEMICAL 21.11.04