Turbo Fan POSCO CHEMICAL
페이지 정보
조회 1,600회
작성일 21-11-04 18:30
본문
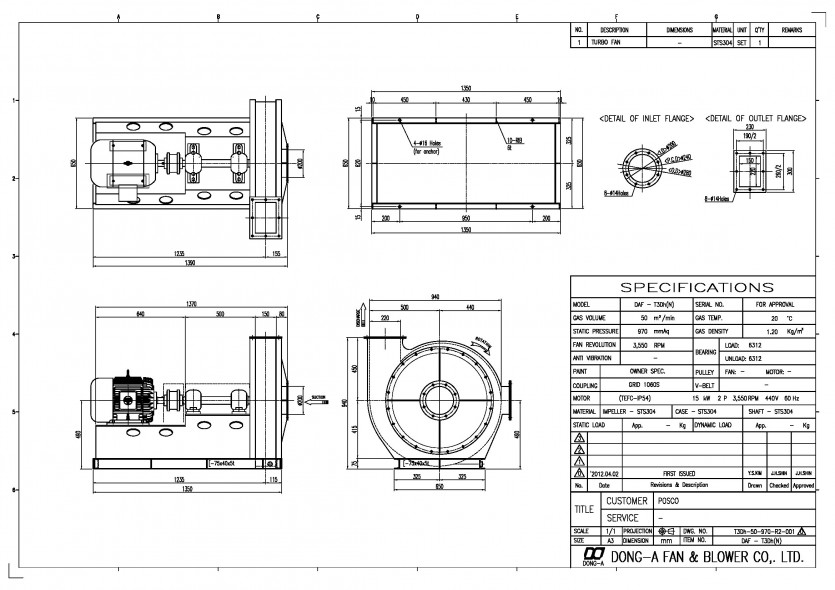
MODEL : DAF-T3Dh
VOLUME : 50 ㎥/min
PRESS : 970 mmAq
MOTOR : 15kW x 2P x 440V x 60Hz
MATERIAL : STS304 (CASE, IMPELLER, SHAFT)
DRIVE TYPE : COUPLING TYPE
VOLUME : 50 ㎥/min
PRESS : 970 mmAq
MOTOR : 15kW x 2P x 440V x 60Hz
MATERIAL : STS304 (CASE, IMPELLER, SHAFT)
DRIVE TYPE : COUPLING TYPE
- 이전글POSCO(광양) / GA-POT-BLOWING-FAN [SN.1803032] 25.02.27